Moin zusammen,
auf unserer Duetta 94 herrscht ein ziemliches Chaos bei der Stromverkabelung unter der Salondecke, dort wo die Kabel in Richtung des Mastes abzweigen. Ich hab leider wenig Ahnung von Strom und würde am liebsten einfach "abgucken", wie ich die Kabel richtig verbinde. Hat jemand von Euch ein Foto oder einen Plan davon? So ganz kompliziert kann es ja eigentlich nicht sein - der Vorbesitzer unseres Bootes hat das leider alles eher dilettantisch gelöst und nachdem ich mich zwei Saisons durchgewurschtelt habe, würde ich es gern endlich mal richtig lösen...
Danke!
Beste Grüße
Thomas
Verkabelung Deckenlampe und Mast
-
sailorman675
- Beiträge: 57
- Registriert: 28.11.2010, 13:55
Re: Verkabelung Deckenlampe und Mast
Hallo Thomas,
Da unsere Boote schon etwas älter sind, sind wohl die wenigsten noch im Originalzustand, daher ist es meines Erachtens schwer von einem Boot auf das andere zu schließen.
Was genau ist denn dein Problem?
Hast Du evtl. ein Foto?
Viele Grüße,
Christian
Da unsere Boote schon etwas älter sind, sind wohl die wenigsten noch im Originalzustand, daher ist es meines Erachtens schwer von einem Boot auf das andere zu schließen.
Was genau ist denn dein Problem?
Hast Du evtl. ein Foto?
Viele Grüße,
Christian
Re: Verkabelung Deckenlampe und Mast
Hallo !
Ein ''lesbarer Schaltplan'' würde mich auch intressieren !?
Das Problem ist, jeder rödelt über die Jahre was dazu, aber keiner schmeisst den alten Mist wider raus
Habe bei mir auch gerade reichlich kabel raus geschmissen, was man dabei so alles findet
Hatte eigentlich keine Lust mal aus Elektrik gründen mliegen zu bleiben oder abzubrennen.
MfG Michael
Ein ''lesbarer Schaltplan'' würde mich auch intressieren !?
Das Problem ist, jeder rödelt über die Jahre was dazu, aber keiner schmeisst den alten Mist wider raus
Habe bei mir auch gerade reichlich kabel raus geschmissen, was man dabei so alles findet
Hatte eigentlich keine Lust mal aus Elektrik gründen mliegen zu bleiben oder abzubrennen.
MfG Michael
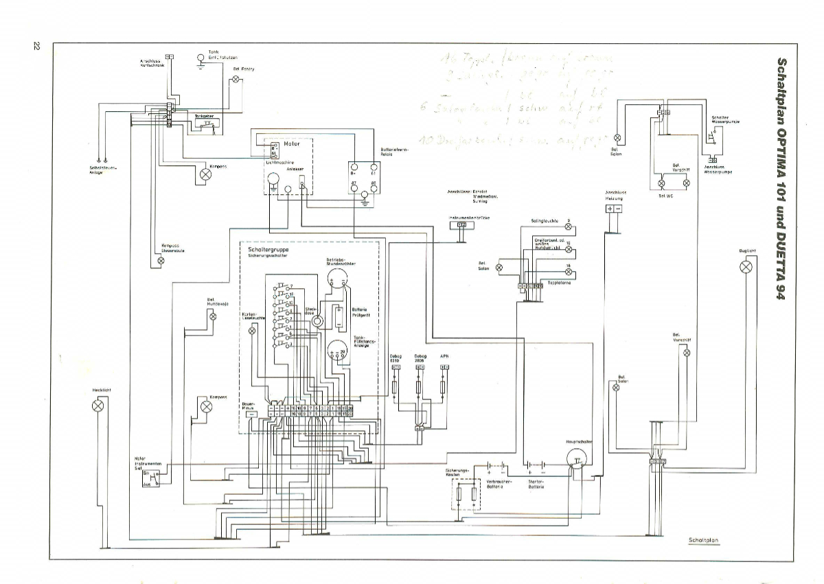
Re: Verkabelung Deckenlampe und Mast
Hallo,
hier mal der Schaltplan aus meinem Originalhandbuch von 1985. Bei mir stimmte die Beschaltung mit dem Schaltplan überein.
Leider ist die Qualität sehr schlecht weil die Forumseinstellungen nicht mehr zulassen.
Gruß
Mario
hier mal der Schaltplan aus meinem Originalhandbuch von 1985. Bei mir stimmte die Beschaltung mit dem Schaltplan überein.
Leider ist die Qualität sehr schlecht weil die Forumseinstellungen nicht mehr zulassen.
Gruß
Mario
Re: Verkabelung Deckenlampe und Mast
Vielen Dank für Eure Hinweise und den Schaltplan. Anbei ein Foto vom Zustand bei uns 
- Dateianhänge
-
- IMG_E4804 - komprimiert3.JPG
- (119.82 KiB) Noch nie heruntergeladen