Zinkanoden im Motor

Benutzeravatar
Jürgen
Beiträge: 46
Registriert: 06.04.2008, 18:36
Wohnort: Wilhelmshaven - Rüstersiel

Zinkanoden im Motor

Beitrag von Jürgen »

Liebe Dehler-Freunde,

ich bin auf der diesjährigen Hanseboot wieder als erstes gefragt worden, ob ich die Zinkanoden im Motor schon gewechselt habe. Habe ich. Meine Vereinskameraden (wir haben 3 weitere Dehler 31 im Verein) hatten es letztes Jahr, bis ich es anmerkte, noch nicht getan. Zumindest bei uns haben die anderen nicht gewußt, dass im Motor Zinkanoden sind.

Deshalb stelle ich es einmal ins Forum:

Mein Yanmar 2 GM 20 hat zwei Zinkanoden, die ich alle 2 Jahre kontrolliere und oft, weil sie so spröde sind, auswechsele, um die Krümel im Motor zu vermeiden.

Die eine ist auf der (zum Heck gesehenen) linken Seite etwas über dem Ölmessstab, die andere auf der Rückseite des Motors. Man sollte sie wirklich regelmäßig überprüfen.

Ich habe auch Bilder, die sind aber zu groß, um sie ins Forum zu stellen. Wenn Interesse besteht, mache ich sie "kleiner", damit die Suche nach den Zinkmäusen erfolgreich ist.

Eine schöne Adventszeit und ... die nächste Saison kommt bestimmt,

Jürgen von der Trine
Benutzeravatar
Godewind
Beiträge: 184
Registriert: 05.01.2008, 15:48
Wohnort: Nähe Hannover
Kontaktdaten:

Re: Zinkanoden im Motor

Beitrag von Godewind »

Hallo,

als ich meine Motor-Zinkanoden das erste Mal überprüft hatte, war das Schiff 3 Jahre in meinem Besitz. Wann der Voreigner das letzte Mal überprüft hatte, weiß ich nicht; aber er war - nach anderen Dingen zu urteilen - sehr penibel mit allem.

Ergebnis war: Die Anode auf der Steuerbordseite war total zerbröselt. Die hinten am Motor war wie neu, wird offenbar kaum für die beabsichtigten Zwecke benötigt.
Ich schaue jetzt jährlich nach, vor allem an der Seite.
Gruß

Godewind
Tovenaar
Beiträge: 104
Registriert: 16.11.2006, 11:32
Wohnort: Nordsee

Re: Zinkanoden im Motor

Beitrag von Tovenaar »

Hallo Jürgen,

Fotos fürs Forum wären Klasse. :D

Viele Grüße
Tovenaar
Benutzeravatar
Jolly Roger
Beiträge: 177
Registriert: 13.12.2009, 16:16
Wohnort: Niederlande / Rheinland

Re: Zinkanoden im Motor

Beitrag von Jolly Roger »

Hallo zusammen,

nachdem ich erst ein paar Stunden hier im Forum bin,
bin ich sofort total verunsichert wegen der Zinkanoden.
Ich war bisher der Meinung, daß nur an der Welle eine Anode sitzt, die habe ich im Oktober gewechselt. Dabei ist dann aufgefallen, daß die Anode garnicht aus Zink war, sondern aus irgend etwas viel leichterem, Alu war es nicht!! und dieses Etwas war nur noch rudimentär vorhanden.

Es wäre toll, wenn mal jemand Fotos von den Anoden am Motor ins Forum setzen könnte.

Viele Grüße

Jolly Roger
Viele Grüße / Groetjes

Klaus (Dehler32)
Benutzeravatar
Jürgen
Beiträge: 46
Registriert: 06.04.2008, 18:36
Wohnort: Wilhelmshaven - Rüstersiel

Re: Zinkanoden im Motor

Beitrag von Jürgen »

Hallo,

das mit den Fotos mach' ich - gebt mir bitte ein paar Tage Zeit.

Ahoi,

Jürgen von der Trine
Benutzeravatar
Ralf
Beiträge: 154
Registriert: 02.01.2007, 12:13
Wohnort: Köln / Liegeplatz Roermond

Re: Zinkanoden im Motor

Beitrag von Ralf »

Hallo Gemeinde,

im Herbst 2008 habe ich vor dem Winterlager eine professionelle Motorinspektion machen lassen, dabei wurden auch die beiden Anoden gewechselt. Hatte die Duetta da im 3. Jahr, und mein Voreigner konnte sich nicht an einen Wechsel erinnern, also geschätze 8 Jahre?? Die Anoden selbst waren nur zu ca 30% verbraucht, aber ohne professionelles Werkzeug incl. einem riesen langen Rohraufsatz (Hebelkraft) wäre das nicht zu machen gewesen. Verletzungsgefahr wenn die Nuss abrutscht nicht unerheblich, der Profi musste sich mit vollem Körpereinsatz abstemmen. Möchte nicht erleben dass die Schraube dabei abbricht, dann könnt ihr den ganzen Motor ausbauen...

Gruß Ralf
Ralf
SY Phoenix, NL-Roermond
Duetta 94 Bau-Nr. 407-336
Benutzeravatar
Jolly Roger
Beiträge: 177
Registriert: 13.12.2009, 16:16
Wohnort: Niederlande / Rheinland

Re: Zinkanoden im Motor

Beitrag von Jolly Roger »

Hallo Jürgen,
darf ich noch mal nach den Fotos von den Zinkanoden fragen?
Viele Grüße / Groetjes

Klaus (Dehler32)
segelklaus2

Re: Zinkanoden im Motor

Beitrag von segelklaus2 »

motoren mit 2-kreis kühlung müssen aber nicht wechseln????? :|
Benutzeravatar
Jolly Roger
Beiträge: 177
Registriert: 13.12.2009, 16:16
Wohnort: Niederlande / Rheinland

Re: Zinkanoden im Motor

Beitrag von Jolly Roger »

Ich habe eine Einkreiskühlung und da alles angesaugt.
Sind denn bei der Zweikreiskühlung keine Anoden nötig?
Viele Grüße / Groetjes

Klaus (Dehler32)
segelklaus2

Re: Zinkanoden im Motor

Beitrag von segelklaus2 »

weiß ich ja eben auch nicht.
Benutzeravatar
Jolly Roger
Beiträge: 177
Registriert: 13.12.2009, 16:16
Wohnort: Niederlande / Rheinland

Re: Zinkanoden im Motor

Beitrag von Jolly Roger »

Ich habe eben noch mal die Betriebsanleitung zum 2GM20 durchgesehen:
da steht nichts von Anoden, weder, daß es welche gibt, noch daß sie zu kontrollieren sind.
Vielleicht hat die Anoden auch jemand selber angebaut.

Allerdings scheint die Betriebsanleitung auch nicht von Vernunft geprägt zu sein, insbesondere der Punkt mit den Aufwärmen des Motors im Leerlauf nach dem Start.
Was soll der Quatsch? Machen wir das auch mit unseren Autos?
Da wird ausdrücklich empfohlen, den Motor nicht warmlaufen zu lassen.
Der geringste Verschleiß des Motor ist dann, wenn die Betriebstemperatur möglichst schnell erreicht wird.
Das heißt natürlich nicht, daß man mit kaltem Motor mit Vollgas losbrettert.

Daraus folgt: Die Betriebsanleitung ist unvollständig und Mist. Deshalb werden wir auf Fotos warten müssen oder bei Saisonbeginn intensiv suchen.
Viele Grüße / Groetjes

Klaus (Dehler32)
Benutzeravatar
Leo
Beiträge: 199
Registriert: 20.02.2006, 21:30
Wohnort: Kiel-Schilksee

Re: Zinkanoden im Motor

Beitrag von Leo »

Moin,
in einer englischen Pflegeanleitung für Yanmar Diesel habe ich folgendes gefunden:
"Inspection and Replace Anti-corrosive zinc (seawater cooling line)
1. Close the Kingston cock.
2. Drain the cooling seawater.
3. Remove the plug labeled ZINC and indicated in the diagram. (welches aber fehlt)
4. Check the zinc on the inside of the plug to determine the amount of wear to the anti-corrosive
zinc.
¡ Replace the anti-corrosive zinc when it has been reduced to less than 1/2 of its original
size.
¡ If there is only a little bit of wear, clean the surface by sanding off any corroded areas.
5. Replace plug.
6. Open the Kingston cock and check water leakage.
Inspection •• every 500 hours."

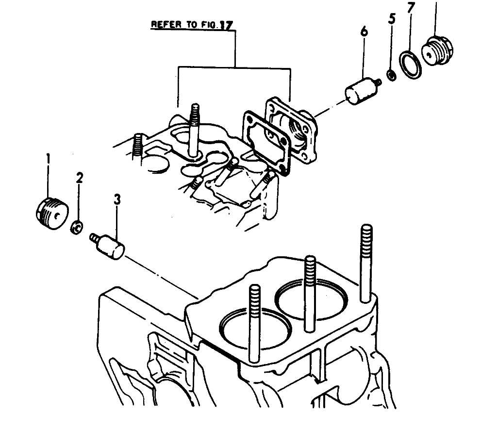
Im YANMAR Ersatzteilkatalog für den 2GM20 (Einkreiskühlung) sind die Anoden auch abgebildet (Nrn. 3 und 6), ob bei der Zweikreiskühlung auch Anoden erforderlich sind -im Motor selbst wohl nicht - im Seewasserkreis wäre es aber m.E. logisch, um Korrossion im Kühlkreislauf zu verhindern.

Den Austausch der Anoden habe ich immer vom Schrauber meines Vertrauens vornehmen lassen, weil sie an "sehr günstiger Stelle" liegen (siehe auch Beitrag von Ralf).
Dateianhänge
Motoranoden.jpg
Gruß aus Schilksee

Leo
segelklaus2

Re: Zinkanoden im Motor

Beitrag von segelklaus2 »

vielen dank leo. sieht ja fast so aus, als könnte man das teil mit den vier schrauben abbauen und zuhause am schraubstock die große mutter lösen?
zu jollys anmerkungen zum aufwärmen des motors möchte ich sagen:
den 1, 2 oder 3 gm motor kann man auch nicht mit einem modernen automotor aus aludruckguß vergleichen. hier wurde noch schwere eisengussteile verarbeitet. wenn man von seinem liegeplatz lostuckert, um seine segel zu setzen, benötigt man keine aufwärmzeit. in der beschreibung steht das ja auch, da diese motoren ja auch in motorbooten verbaut sind. um auf halblast oder volllast zu gehen, benötigt der motor die erwähnte aufwärmzeit. das gilt natürlich auch für segler. wenn man den motor so richtig fordern will.
das ist aber auch gelegentlich nötig. also wenn man mal wegen flaute 1 oder 2 stunden motoren muss, sollte man ihn auch nicht nur tuckern lassen, sondern ihn mit 3/4 last so richtig durchwärmen lassen. so kann er sich von selbst von rückständen befreien.
Benutzeravatar
Leo
Beiträge: 199
Registriert: 20.02.2006, 21:30
Wohnort: Kiel-Schilksee

Re: Zinkanoden im Motor

Beitrag von Leo »

Also von der Demontage des "viereckigen Teils" in dem die Anode sitzt würde ich dringend abraten - da hängt nämlich eine Ölleitung dran und ich fürchte, man macht da schnell etwas kaputt. Die obige Zeichnung ist unvollständig, was den gesamten Motoraufbau angeht, sie zeigt eigentlich nur die 7 Teile, die mit den Anoden zusammenhängen.
Empfehle dringend, lieber einen Spezialisten - z.B. in Kiel und Umgebung "Didi" Paulsen ( http://www.didi-service-point.de/ ), den ehemaligen Marine-Motorenmann von Marx in Kiel-Mettenhof, zu beauftragen.
Gruß aus Schilksee

Leo
Benutzeravatar
Jolly Roger
Beiträge: 177
Registriert: 13.12.2009, 16:16
Wohnort: Niederlande / Rheinland

Re: Zinkanoden im Motor

Beitrag von Jolly Roger »

Ich bin platt!!

Die Dinger sind IM Motor. Hab ich noch nie was von gehört.
Mir schwant schreckliches.

Meine nächte Aktion: mail an den Motor-Menschen im Hafen, Nachsehen und gegebenenfalls wechseln.

Was ich nur nicht verstehe: warum steht sowas nicht in der Betriebsanleitung, die mit dem Boot mitgeliefert wird?
Viele Grüße / Groetjes

Klaus (Dehler32)
Antworten