Massetrennung Starter- und Servicebatterie

Antworten
Benutzeravatar
skipdanica
Beiträge: 73
Registriert: 29.09.2012, 21:17
Wohnort: Wiesbaden

Massetrennung Starter- und Servicebatterie

Beitrag von skipdanica »

Liebe Segler,

ich möchte die Masse der Starterbatterie und der Servicebatterie verbinden, um

1. den zweiten Ausgang meines Solarreglers zum Laden der Starterbatterie zu nutzen und
2. die Spannung der zweiten Batterie über einen Batteriecomputer abzufragen.

Fast alle Publikationen zeigen auf den Schaltplänen eine gemeinsame Masse für Starter- und Servicebatterie.
Kann jemand die Frage beantworten, warum Dehler auf die Trennung der Massen der Batterien so großen Wert legt, dass sowohl die +Seite, als auch Masse (-Seite) mit einem Trennrelais ausgerüstet ist. Kann das als Schutz gegen galvanische Korrosion installiert sein?
Handbreit...
Peter
Bernhard
Beiträge: 279
Registriert: 23.09.2009, 20:53

Re: Massetrennung Starter- und Servicebatterie

Beitrag von Bernhard »

Hallo Dehler Elektriker, das ist der orginal Dehler Schaltplan. Ich musste Ihn wegen der Größenvorgabe leider ein wenig eindampfen. Nur die + Leitungen werden durch ein Relais getrennt. Gruß Bernhard
Dateianhänge
Schaltplan Duetta.jpg
koeln7777
Beiträge: 157
Registriert: 01.09.2010, 12:14

Re: Massetrennung Starter- und Servicebatterie

Beitrag von koeln7777 »

Bei meiner ist + durch Relais getrennt, und Masse am 'roten Knopf' vereint.

Gruß Ralf
Ralf

SY Phoenix
Monnickendam
Benutzeravatar
skipdanica
Beiträge: 73
Registriert: 29.09.2012, 21:17
Wohnort: Wiesbaden

Re: Massetrennung Starter- und Servicebatterie

Beitrag von skipdanica »

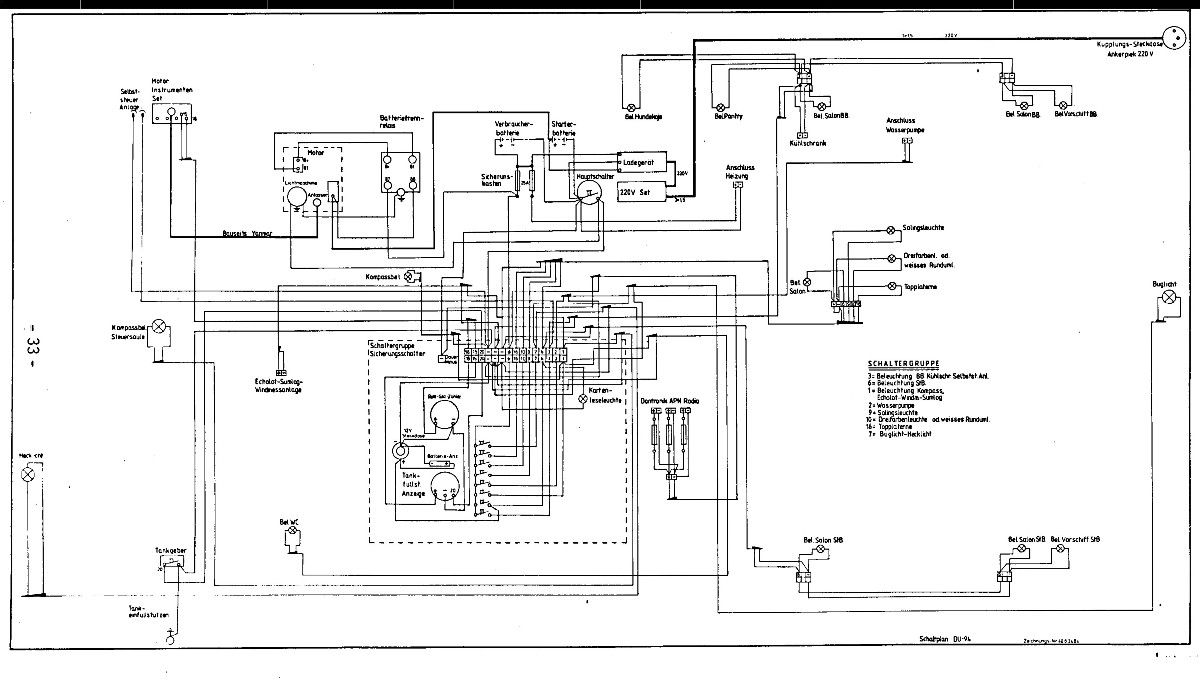
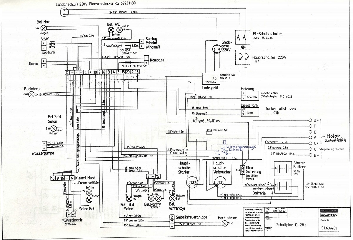
Ich habe den Plan aus meinem Handbuch für die Dehler 28 S mal beigefügt. Im Schaltplan für 12-Versorgung gibt es einen Verweis zu den Anschlüssen E und F im Motorschaltplan. Damit werden die -Pole der beiden Batterien verbunden, wenn die Trennrelais anziehen. Sie sind im Motorschaltplan von Dehler ergänzt worden. Im Originalschaltplan von Volvo Penta fehler die Relais. Scheinbar gibt es mehrere Versionen der elektrischen Anlage, selbst bei werftbelassenen Booten. Der Plan in meinem Handbuch stimmte auch nicht mit der Realität überein. Die Heizung geht bei mir direkt von der Batterie ab, nicht von der Steckerleiste.
Ich habe bei mir inzwischen auf Klemmleisten umgestellt und muss daher die Klemmenpläne und den Stromlaufplan neu zeichnen. Dabei fallen einem dann allerlei Ungereimtheiten auf. Ich fand z. B. an einem Kiellbolzen ein diickes Erdungskabel als Blitzsschutz und daran ein 2,5 mm² Erdungskabel, dess Ende unter der Stb Sofa ein freies Ende zeigt. Wer weiß, wo das hinführt oder geführt hat.
Dateianhänge
Schaltplan Dehler 28 S Baunr 510-352_Seite_2.jpg
Schaltplan Dehler 28 S Baunr 510-352_Seite_1.jpg
Handbreit...
Peter
koeln7777
Beiträge: 157
Registriert: 01.09.2010, 12:14

Re: Massetrennung Starter- und Servicebatterie

Beitrag von koeln7777 »

Die Heizung ging bei mir auch direkt von der Batterie ab (+ und -), + hat eine eigene Sicherung. - habe ich hinter den roten Knopf verlegt, ich möchte nicht daß die Heizung laufen kann wenn man vergisst sie auszudrehen und man am Wochenende nach Hause fährt... Hatte mal ein Kopokkissen schmorend in der Backskiste als ich vom Einkaufen kam...
Ralf

SY Phoenix
Monnickendam
Antworten